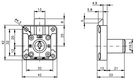
Hekna Schloß Typ 207 / GL
Art.-Nr.: 13.0207.HGU.0025
Hekna Schloß Typ 207 / GL
Hekna Fallenschloss Typ 207 GL
Hekna-SLIM
Hekna-SLIM
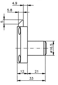
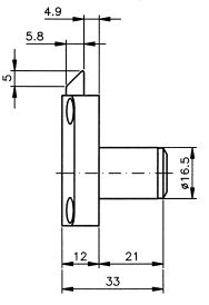
| Länge: | 21 mm |
|---|---|
| MARKE: | HEKNA |
| ARTIKELGRUPPE: | Hinterlegschloss für Zylinder |
| SCHLOSS TYP: | Hekna Typ 207 |
| DORNMASS: | (D25) 25 mm |
| SCHLIESSRICHTUNG: | (lad) lad , (ls) links , (rs) rechts , lad nach unten umstellbar |
| SCHLIESSUNG: | (GL) gleichschließend |
| SCHLIESSKREIS: | [SK: K-10] HEKNA / Schließungen 1001 bis 1425 / (GL) 1060 |
| BEMERKUNG: | mit austauschbarem Wechselkern |
| Durchmesser: | Ø16,5mm |
| FUNKTION: | 2 Abzüge , Schließbewegung 180° , mit eingelegter Sperre ist nur 1 Abzug möglich |








